Profil PDS-NK stříbrný elox, 22,2x12x2000mm (metráž) - Hliníkové LED profily
Vkládaný zafrézovaný hliníkový LED profil PDS-NK stříbrný elox.
Profil PDS-NK - další profil z naší nabídky vkládaných hliníkových profilů. Díky své dostatečně velké instalační hloubce je ideální pro montáž do masivních nábytkových desek nebo dalších interiérových prvků, kde je požadováno plně zapuštěné a diskrétní světelné řešení. Profil umožňuje realizaci různorodých typů dekorativního, ambientního i funkčního osvětlení. Je navržen tak, aby jej bylo možné esteticky a technicky bez problémů integrovat do různých materiálů a prostorových konceptů.
Je ideální volbou i v případech, kdy potřebujete něco nasvítit, ale nechcete, aby bylo samotné osvětlení dominantním prvkem. Při použití profilu PDS-NK zůstává po instalaci na povrchu viditelný pouze jemný límec, který nejen že nenarušuje vzhled, ale naopak podtrhuje čisté linie interiéru a dodává osvětlení elegantní detail. Díky těmto vlastnostem je PDS-NK považován za univerzální profil, který najde využití jak v rezidenčních, tak komerčních instalacích a právě to je jeho velkou výhodou!
Zajišťuje rovnou a plynulou světelnou linie a stává se z něj přirozená součást celkového designu
PDS-NK dokáže být univerzálním a může být využitý v různorodých instalacích
Profil je možné uchytit speciální oboustrannou lepicí páskou nebo lepidlem na bázi MS polymerů. Podmínkou je však dokonalé čistý a odmaštěný profil spolu s podkladem, na který bude profil ukotven
Při instalaci LED profilu se řiďte návodem a aplikačními poznámkami
Technické parametry:
Materiálhliník
Barvastříbrný elox
Typ profilu vkládaný (zapuštěný)
Max. šířka LED pásku14 mm
Příkon pásku18 W/m
Délka profilu* 2000 mm (2 m)
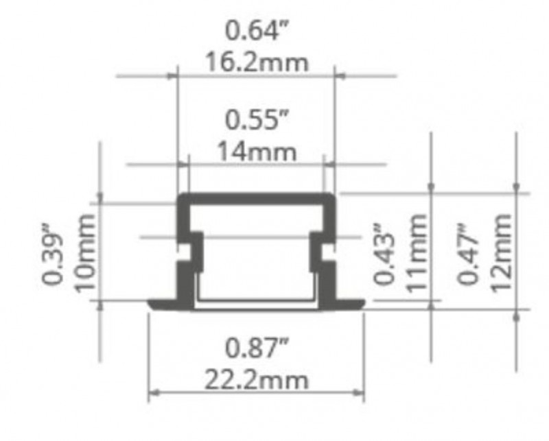
Šířka profilu včetně límce 22,2 mm
Šířka profilu pro zapuštění16,2 mm
Plná výška profilu12 mm
Váha profilu0,44 kg
* Nabízíme možnost objednání libovolné délky profilu. Profil zakrátíme na požadovanou délku, avšak do zakázky bude započítán celý použitý profil, tedy včetně zbylého prořezu.
Výhody našich hliníkových LED profilu:
- Široký sortiment různých typů profilů (vkládané, nakládané, úhlové, speciální, designové apod.) pro jakoukoli oblast použití.
- Různé délky a barvy skladem nebo na objednání s minimální dodací lhůtou často i na počkání.
- Velký výběr LED pásků WIRELI s různou svítivostí a výkonem umožňuje vytvořit jedinečné svítidlo přesně podle Vašich představ.
- Možnost kombinace s difuzory s různým stupněm rozptylu světla (čirý, jemně matný, opálový) a provedením (nasouvací, klipové).
- Široké spektrum příslušenství a montážních prvků pro snadnou a rychlou instalaci kdekoliv i svépomocí.
- Elegance a funkčnost propojení moderního designu s praktičností, ideální řešení pro jakýkoli prostor.
- Vysoká kvalita a vizuální dokonalost.
- Možnost vytvořit designové osvětlení, které je luxusní a zároveň úsporné.
- Pravidelná obnova sortimentu LED profilů podle nejnovějších trendů v oblasti osvětlení.
- Náš tým odborníků Vám vždy ochotně poradí, pomůže s návrhem a zajistí výrobu osvětlení přesně podle Vašich představ i pokud si nejste jisti svým výběrem či řešením.
Profil PDS-NK - další profil z naší nabídky vkládaných hliníkových profilů. Díky své dostatečně velké instalační hloubce je ideální pro montáž do masivních nábytkových desek nebo dalších interiérových prvků, kde je požadováno plně zapuštěné a diskrétní světelné řešení. Profil umožňuje realizaci různorodých typů dekorativního, ambientního i funkčního osvětlení. Je navržen tak, aby jej bylo možné esteticky a technicky bez problémů integrovat do různých materiálů a prostorových konceptů.
Je ideální volbou i v případech, kdy potřebujete něco nasvítit, ale nechcete, aby bylo samotné osvětlení dominantním prvkem. Při použití profilu PDS-NK zůstává po instalaci na povrchu viditelný pouze jemný límec, který nejen že nenarušuje vzhled, ale naopak podtrhuje čisté linie interiéru a dodává osvětlení elegantní detail. Díky těmto vlastnostem je PDS-NK považován za univerzální profil, který najde využití jak v rezidenčních, tak komerčních instalacích a právě to je jeho velkou výhodou!
Zajišťuje rovnou a plynulou světelnou linie a stává se z něj přirozená součást celkového designu
PDS-NK dokáže být univerzálním a může být využitý v různorodých instalacích
Profil je možné uchytit speciální oboustrannou lepicí páskou nebo lepidlem na bázi MS polymerů. Podmínkou je však dokonalé čistý a odmaštěný profil spolu s podkladem, na který bude profil ukotven
Při instalaci LED profilu se řiďte návodem a aplikačními poznámkami
Technické parametry:
Materiálhliník
Barvastříbrný elox
Typ profilu vkládaný (zapuštěný)
Max. šířka LED pásku14 mm
Příkon pásku18 W/m
Délka profilu* 2000 mm (2 m)
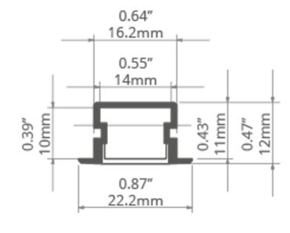
Šířka profilu včetně límce 22,2 mm
Šířka profilu pro zapuštění16,2 mm
Plná výška profilu12 mm
Váha profilu0,44 kg
* Nabízíme možnost objednání libovolné délky profilu. Profil zakrátíme na požadovanou délku, avšak do zakázky bude započítán celý použitý profil, tedy včetně zbylého prořezu.
Výhody našich hliníkových LED profilu:
- Široký sortiment různých typů profilů (vkládané, nakládané, úhlové, speciální, designové apod.) pro jakoukoli oblast použití.
- Různé délky a barvy skladem nebo na objednání s minimální dodací lhůtou často i na počkání.
- Velký výběr LED pásků WIRELI s různou svítivostí a výkonem umožňuje vytvořit jedinečné svítidlo přesně podle Vašich představ.
- Možnost kombinace s difuzory s různým stupněm rozptylu světla (čirý, jemně matný, opálový) a provedením (nasouvací, klipové).
- Široké spektrum příslušenství a montážních prvků pro snadnou a rychlou instalaci kdekoliv i svépomocí.
- Elegance a funkčnost propojení moderního designu s praktičností, ideální řešení pro jakýkoli prostor.
- Vysoká kvalita a vizuální dokonalost.
- Možnost vytvořit designové osvětlení, které je luxusní a zároveň úsporné.
- Pravidelná obnova sortimentu LED profilů podle nejnovějších trendů v oblasti osvětlení.
- Náš tým odborníků Vám vždy ochotně poradí, pomůže s návrhem a zajistí výrobu osvětlení přesně podle Vašich představ i pokud si nejste jisti svým výběrem či řešením.
Wir-3209207609 detail výrobku
Dodání 3-14 dnů
Akce -2%
199 Kč / m 195 Kč / m
Nastavit hlídač ceny
Přidat k oblíbeným svítidlům
