Magnetová stropní lampa 9W+3xG9 3000/4000K bílá - Bodová svítidla
Mil-380005 detail výrobku
| Reflektory a svítidla řady Magnet jsou elegantní a moderní osvětlení, které je ideální pro kuchyně, obývací pokoje a haly. Vyznačují se kvalitním zpracováním z hliníku a kovu a možností výběru teploty barvy světla v rozmezí 3000K až 4000K. Výrobky této řady jsou k dispozici v různých konfiguracích, v jednobodovém i vícebodovém provedení, což umožňuje flexibilně vyhovět různým potřebám osvětlení. Řada Magnet zahrnuje nástěnná a stropní svítidla s různým počtem světelných bodů. Nástěnná svítidla jsou k dispozici s jednou 5W LED a možností jedné žárovky GU10, stejně jako verze s jednou 13W LED a dvěma žárovkami G9. Stropní svítidla nabízejí podobné konfigurace, ale mohou mít více světelných bodů, což zvyšuje jejich funkčnost ve větších místnostech. Jsou k dispozici v černé a bílé barvě, aby se hodila k různým stylům interiéru. Všechny výrobky řady Magnet se vyznačují moderním designem, který zvýrazní eleganci každého interiéru, a také vysokou odolností a výkonem, což z nich činí vynikající volbu pro domácnosti i komerční prostory. | |
| VOLTAGE | ~230v/50Hz |
| CRI [RA] | >80Ra |
| SÍŤOVÁ HMOTNOST | 0,95 kg |
| HRUBÁ HMOTNOST | 1,06 kg |
| MNOŽSTVÍ NA BALENÍ | 10 |
| ŠÍŘKA PLECHU (mm) | 100 mm |
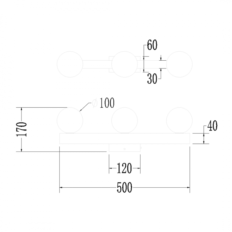
| VÝŠKA SKLA (mm) | 100 mm |
| HMOTNOST BALENÍ | 11,6 kg |
| ÚHEL SVĚTLA | 120° |
| Hloubka balení (cm) | 14.5 |
| ŠÍŘKA (mm) | 170 mm |
| NOVINKY | 24 |
| ŠÍŘKA BALENÍ (cm) | 22.5 |
| PRŮMĚRNÁ ŽIVOTNOST | 30000h |
| VÝŠKA (mm) | 30 mm |
| Hloubka (mm) | 500 mm |
| VÝŠKA BALENÍ (cm) | 55.5 |
| VÝSTUP SVĚTLA | 990lm |
| POWER | 9W LED |
| barva | BÍLÁ |
| ENERGETICKÁ TŘÍDA | E |
| STUPEŇ OCHRANY | IP20 |
| LAMP FAMILY | MAGNET |
| DIMMABLE | NE |
| VYMĚNITELNÝ ZDROJ SVĚTLA | NE |
| MATERIÁL | SKLO + HLINÍK + KOV |
| ZDROJ SVĚTLA JE SOUČÁSTÍ DODÁVKY | Ano |
| BARVA SVĚTLA | VARIABILNÍ 3000K / 4000K |
Sklad dodavatel 100 ks, dodání 3-14 dní
Supercena
866 Kč
Doporučená maloobchodní cena: 984 Kč
Doporučená maloobchodní cena: 984 Kč
Nastavit hlídač ceny
Přidat k oblíbeným svítidlům
